您好!欢迎您访问南合传动机械的官方网站!
设为首页
加入收藏
联系我们
网站首页
关于我们
企业简介
新闻中心
客户反馈
在线招聘
电动推杆
HDL电动推杆
TDT双联电动推杆
DG电动推杆
DTZ电动推杆
HDG电动缸
DT型电动推杆
HDJ电动推杆
HDH电动推杆
HDI电动缸
油缸
WL 70 140-1系列轻型拉杆液压缸
Y-HG1系列冶金设备用液压缸
HSG※01系列工程液压缸
DG型车辆用液压缸
气缸
回转气缸
QGS2系列普通型双活塞杆气缸
JB系列冶金设备气缸
CK系列磁性开关、磁环
QGB-K、QGB-F、QGB-KF带开关、带阀气缸
QGA、QGB普通气缸
不锈钢精密管
联系方式
电动推杆
HDL电动推杆
TDT双联电动推杆
DG电动推杆
DTZ电动推杆
HDG电动缸
DT型电动推杆
HDJ电动推杆
HDH电动推杆
HDI电动缸
联系我们
地址:无锡市滨湖区胡埭镇龙延村环城南路888号
电话:0510-85561888
联系人:张经理 18912378988
技术支持:0510-85590761
技术支持:18912378988
邮编:214161
网址:www.nhyyqd.com
邮箱:sales@nhyyqd.com
当前产品:DTZ电动推杆
电动推杆
DTZ电动推杆
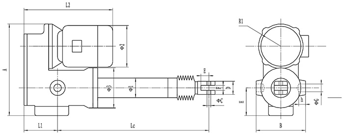
DTZ系列电动推杆参数表
型号
推拉力kg
速度
行程mm
电机功率KW
Lc小
L1
L2
A
Φ1
Φ2
Φ3
ΦC
D
E
F
B
H
R1
ΦG*h
重量kg
I
II
DTZ100
100
42
100--
700
0.12
233+s
84
246
266
57
130
112
12
34
26
16
135
82
65
25*20
23
84
0.18
DTZ300
300
42
100--
1000
0.37
205+s
110
280
303
64
141
130
12
43
26
16
160
90
73
25*22
35
84
0.55
DTZ630
630
50
200-
1800
0.75
253+s
96
310
348
80
147
160
14
52
35
20
200
110
83
25*22
63
100
1.1
DTZ1000
1000
42
200--
1800
1.1
259+s
122
340
393
80
165
170
14
52
35
20
204
115
100
25*22
75
84
1.5
DTZ1600
1600
50
200--
1800
2.2
228+s
150
420
474
95
205
200
25
75
35
35
240
130
125
25*30
90
100
3
DTZ3200
3200
27
200--
2200
3
294+s
160
460
525
108
220
250
35
80
50
40
300
150
125
40*30
230
54
4
DTZ5000
5000
27
200--
2200
4
294+s
160
460
525
108
220
250
35
80
50
40
300
150
125
40*30
230