您好!欢迎您访问南合传动机械的官方网站!
气缸
联系我们
地址:无锡市滨湖区胡埭镇龙延村环城南路888号
电话:0510-85561888
联系人:张经理 18912378988
技术支持:0510-85590761
技术支持:18912378988
邮编:214161
网址:www.nhyyqd.com
邮箱:sales@nhyyqd.com
当前产品:JB系列冶金设备气缸
气缸
JB系列冶金设备气缸

基本参数
缸径 活塞杆直径d 活塞杆面积 f 活塞面积F F-f 活塞杆上的力(kg)
拉力 推力
80 30 7.1 ‘ 50.3 43.2 170 200
100 30 7.1 78.5 71.4 285 315
125 40 12.6 122.6 100 440 490
160 40 12.6 201 188.4 750 805
180 50 19.6 254.5 234.9 940 1020
200 50 19.6 314.2 294.6 1180 1280
250 70 38.5 490.9 452.4 1810 1960
320 90 63.6 804.2 740.6 2960 3215
400 90 63.6 1256.6 1193 4770 5030

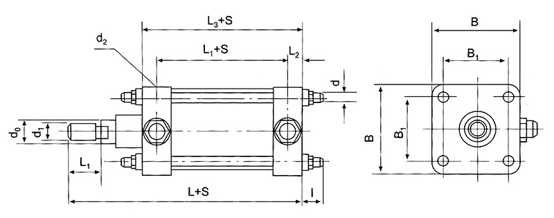
外形和安装尺寸
基本形(JB144-74)
缸径 d0 B B1 d d1 d2 L L1 L2 L3 I I3
80 30 115 85 M12 M20×1.5 M14×1.5 240 105 15 135 37.5 35
100 30 130 100 M12 M20×1.5 M4×1.5 240 105 15 135 37.55 35
125 40 160 120 M16 M24×2 M18×1.5 310 140 20 180 50 40
160 40 190 150 M16 M24×2 M18×1.5 310 140 20 180 50 40
180 50 220 170 M20 M30×2 M18×1.5 350 150 20 190 45 50
200 50 240 190 M20 M30×2 M18×1.5 350 150 20 190 45 50
250 70 290 230 M24 M42×3 M27×2 450 180 30 240 55 60
320 90 350 280 M30 M56×4 M33×2 520 200 30 260 60 70
400 90 430 350 M30 M56×4 M33×2 520 200 30 260 60 70

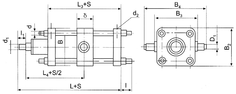
中间摇动式气缸(B型)(JB1445-74)


缸径 80 100 125 160 180 200 250 320 400
L 240 240 310 310 350 350 450 520 520
L3 135 135 180 180 190 190 240 260 260
L4 137.5 137.5 180 180 205 205 275 320 320
I 30-37.5 30-37.5 40-50 40-50 40-50 40-50 45-55 55-60 55-60
I1 35 35 40 40 50 50 60 70 70
B 115x115 130x130 160x160 190x190 220x220 240x240 290x290 350x350 430x430
B2 115x115 140x140 170x170 210x210 230x230 250x250 310x310 400x400 490x490
B3 150 173 210 240 270 300 360 420 530
B4 210 235 290 320 370 400 500 600 710
δ 50 50 60 60 70 70 100 130 130
D1(dc4) 30 30 40 40 50 50 70 90 90

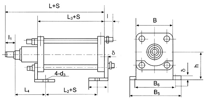
脚架固定式气缸(G型)(JB1446-74)

缸径 80 100 125 160 180 200 250 320 400
d3 13 13 17 17 21 21 26 33 33
L 240 240 310 310 350 350 450 520 520
L2 60 60 80 80 80 80 65 70 70
L3 135 135 180 180 190 190 240 260 260
B1 137.5 137.5 140 140 165 165 237.5 285 285
I4 75 75 100 100 125 125 160 200 200
I 37.5 37.5 50 50 45 45 55 60 60
I1 35 35 40 40 50 50 60 70 70
B 115x115 130x130 160x160 190x190 220x220 240x240 290x290 350x350 430x430
B5 145 150 190 210 230 260 320 350 390
B6 180 180 230 250 280 310 390 420 470
h 8 95 115 130 150 160 195 250 285
δ 8 10 10 14 14 16 20 20

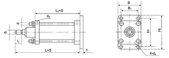
法兰固定式气缸(F型)(JB1447-74)
缸径 80 100 125 160 180 200 250 320 400
d M12 M12 M16 M16 M20 M20 M24 M30 M30
d1 M20X1.5 M20X1.5 M24X2 M24X2 M30X2 M30X2 M42X3 M56X4 M56X4
d2 M14X1.5 M14X1.5 M18X1.5 M18X1.5 M18X1.5 M18X1.5 M27X2 M33X2 M33X2
d4 13 13 17 17 21 21 26 33 33
L 240 240 310 310 350 350 450 520 520
L3 135 135 180 180 190 190 240 260 260
I1 35 35 40 40 50 50 60 70 70
B 115X115 130X130 160X160 190X190 220X220 240X240 290X290 350X350 430X430
B1 85 100 120 150 170 190 230 280 350
H1 145 160 200 230 260 280 240 420 490
h2 180 200 240 270 320 340 410 500 570
δ 16 16 20 20 25 25 30 40 40

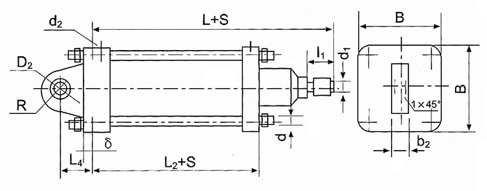
尾部悬挂式气缸(S型)(JB1448-74)
缸径 80 100 125 160 180 200 250 320 400
d M12 M12 M16 M16 M20 M20 M24 M30 M30
d1 M20x1.5 M20x1.5 M24x2 M24x2 M30x2 M30x2 M42x3 M56X4 M56X4
d2 M14x1.5 M14x1.5 M18x1.5 M18x1.5 M 18x1.5 M18x1.5 M27x2 M33X2 M33X2
D2(D4) 25 25 30 30 35 35 40 33 50
I1 35 35 40 40 50 50 60 70 70
L 240 240 310 310 350 350 450 520 520
L3 135 135 180 180 190 190 240 260 260
L4 50 50 60 60 75 75 85 110 110
b1(dc7) 30 30 40 40 50 50 60 80 80
R 25 25 30 30 35 35 40 50 50
B 115 130 160 190 220 240 290 350 430
δ 16 16 20 20 25 25 30 40 40
地址:无锡市滨湖区胡埭镇龙延村环镇南路99号
电话:0510-85538688  85538788
技术支持:0510-85590761 18912378988
传真:0510-85561888
联系人:张经理  13395119312
网址:www.nhyyqd.com
邮箱:sales@nhyyqd.com
如果你想了解更多产品的详细资料, 我们会及时与您联系!
联系人:
邮 箱:
验证码:
留 言:
Copyright (c) 江苏南合传动机械有限公司 All reserved.