您好!欢迎您访问南合传动机械的官方网站!




| QGA、QGB普通气缸 | ||||||||||||||||||||||||||||||||||||||||||||||||||||||||||||||||||||||||||||||||||||||||||||||||||||||||||||||||||||||||||||||||||||||||||||||||||||||||||||||||||||||||||||||||||||||||||||||||||||||||||||||||||||||||||||||||||||||||||||||||||||||||||||||||||||||||||||||||||||||||||||||||||||||||||||||||||||||||||||||||||||||||||||||||||||||||||||||||||||||||||||||||||||||||||||||||||||||||||||||||||||||||||||||||||||||||||||||||||||||||||||||||||||||||||||||||||||||||||||||||||||||||||||||||||||||||||||||||||||||||||||||||||||||||||||||||||||||||||||||||||||||||||||||||||||||||||||||||||||||||||||||||||||||||||||||||||||||||||||||||||||||||||||||||||||||||||||||||||||||||||||||||||||||||||||||||||||||||||||||||||||||||||||||||||||||||||||||||||||||||||||||||||||||||||||||||||||||||||||||||||||||||||||||||||||||||||
气缸内径选择计算表
使用维护须知
1、气缸使用前,应先检查气缸在运输过程中是否损坏 连接部位是否松动,然后再安装使用。2、气缸安装完毕后,在工作压力范围内,无负载情况下运行2~4次。检查气缸是否正常工作。
3、若采用带可调缓冲气缸,在开始工作前,应将缓冲调节阀调节至缓冲阻尼小位置,气缸正常工作后,再逐渐调节缓冲调节阀针,增大缓冲阻尼,直至满意为止。
用户订货须知 1、用户可以根据自己需要,在规定许可行程范围内,任章选择行程,若行程超出规定许可范围,可以协商加工订货。
2、敬请用户尽量选择标准行程,否则没有现货供应、需提前订货。
3、用户对活塞杆边接螺纹尺寸,长度有特殊要求,敬请详细注明,协商加工订货。
4、订货时,敬请用户将各种类型气缸按规定订货号填写。
气缸理论力输出表(N)β=100%
![]() QGA、QGB普通气缸
![]() 技术参数
1、工作介质:干燥净化压缩空气2、工作压力:0.1~1MPa(1-10bar)
3、工作温度:10℃~70℃
4、活塞运动温度:50~5000mm/s
5、寿命:≥300KM
6、各种缸径气缸理论输出力和行程选用范围:
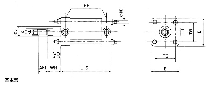
外形和安装尺寸
单位:mm
![]() 单位:mm
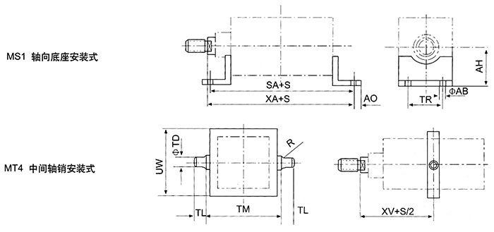
![]() MS1轴向底座 MT4中间轴销 安装尺寸
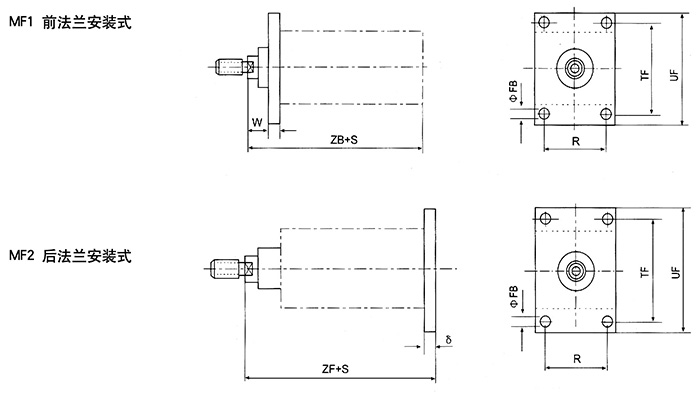
![]() MF1前法兰 MF2后法兰 安装尺寸
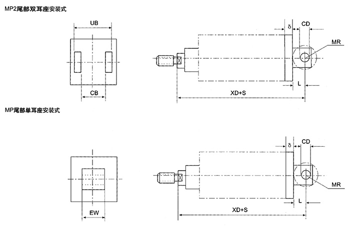
![]() MP2尾部双耳座 MP4尾部单耳座 安装尺寸
| ||||||||||||||||||||||||||||||||||||||||||||||||||||||||||||||||||||||||||||||||||||||||||||||||||||||||||||||||||||||||||||||||||||||||||||||||||||||||||||||||||||||||||||||||||||||||||||||||||||||||||||||||||||||||||||||||||||||||||||||||||||||||||||||||||||||||||||||||||||||||||||||||||||||||||||||||||||||||||||||||||||||||||||||||||||||||||||||||||||||||||||||||||||||||||||||||||||||||||||||||||||||||||||||||||||||||||||||||||||||||||||||||||||||||||||||||||||||||||||||||||||||||||||||||||||||||||||||||||||||||||||||||||||||||||||||||||||||||||||||||||||||||||||||||||||||||||||||||||||||||||||||||||||||||||||||||||||||||||||||||||||||||||||||||||||||||||||||||||||||||||||||||||||||||||||||||||||||||||||||||||||||||||||||||||||||||||||||||||||||||||||||||||||||||||||||||||||||||||||||||||||||||||||||||||||||||||